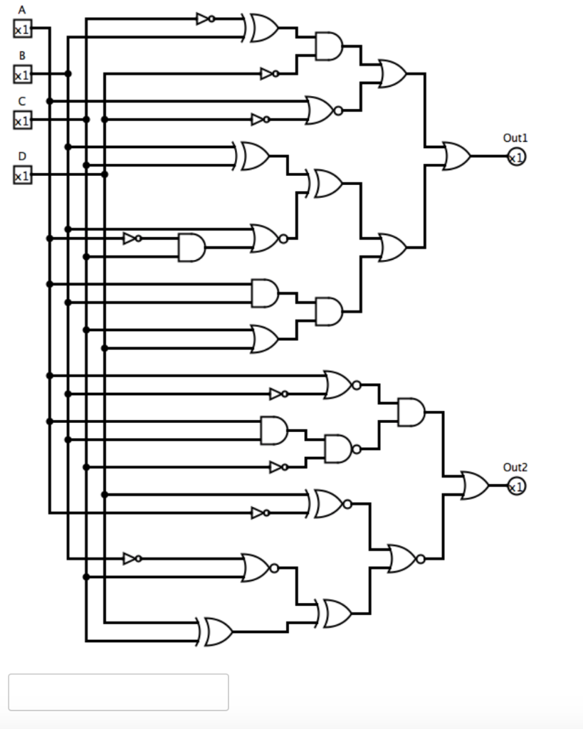
Question: Using the given delays for the circuit components, find the propagation delay for this circuit . Some values for components may not always make sense


Using the given delays for the circuit components, find the propagation delay for this circuit . Some values for components may not always make sense (for example NOT gates having larger delays than AND gates) o This is a product of using purely random values, so just go with them anywaysS o If the circuit is too small for you to see you can download the image and open it to zoom in Component NOT AND NAND OR NOR XOR XNOR Propagation Delay 16 6 14ns 7ns 12ns 13ns Contamination Delay 2 4 4 1ns 4ns 12ns 3ns Outl 1 Out2
Step by Step Solution
There are 3 Steps involved in it
Get step-by-step solutions from verified subject matter experts
