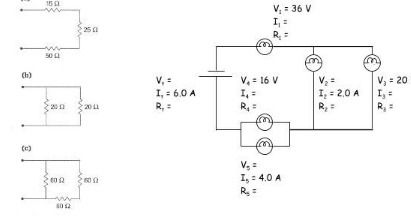
Question: V. = 36 V Chi V. = V. = 16 V V V, = 20 I = 60A I = 20 A R. = V.

V. = 36 V Chi V. = V. = 16 V V V, = 20 I = 60A I = 20 A R. = V. = I. = 4.0 A R
Step by Step Solution
There are 3 Steps involved in it
1 Expert Approved Answer
Step: 1 Unlock
Question Has Been Solved by an Expert!
Get step-by-step solutions from verified subject matter experts
Step: 2 Unlock
Step: 3 Unlock
