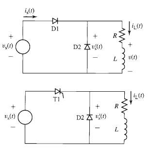
Question: Consider the half-wave, phase-controlled rectifier system of Figure. This is essentially the same circuit as that of Problem 10.8 with the exception that diode D1
Consider the half-wave, phase-controlled rectifier system of Figure. This is essentially the same circuit as that of Problem 10.8 with the exception that diode D1 of Figure has been replaced by an SCR, which you can consider to be ideal. Let R = 5? and Vs (t) = V0 sin wt, where V0 = 45 V and w = 100? rad/sec. Assume that the inductor L is sufficiently large such that w (L/R) >> 1 and that the SCR is triggered ON at time td (0 td ?/w).
a. Find an expression for the average (dc) value Vdc of the voltage v`s (t) across the series resistor/inductor combination as a function of the delay time td.
b. Using the fact that, in the steady state, there will be zero average voltage across the inductor, find an expression for the dc inductor current Idc, again as a function of the delay time td.
c. Plot Idc as a function of td for (0 td ?/w).

i,() DI D2 Av) v,(t) v(1) TI v,(1) D2 A )
Step by Step Solution
3.39 Rating (158 Votes )
There are 3 Steps involved in it
part a Letting T 2w 1 7 part ... View full answer
Get step-by-step solutions from verified subject matter experts
Document Format (1 attachment)
20-E-E-E-M (257).docx
120 KBs Word File
