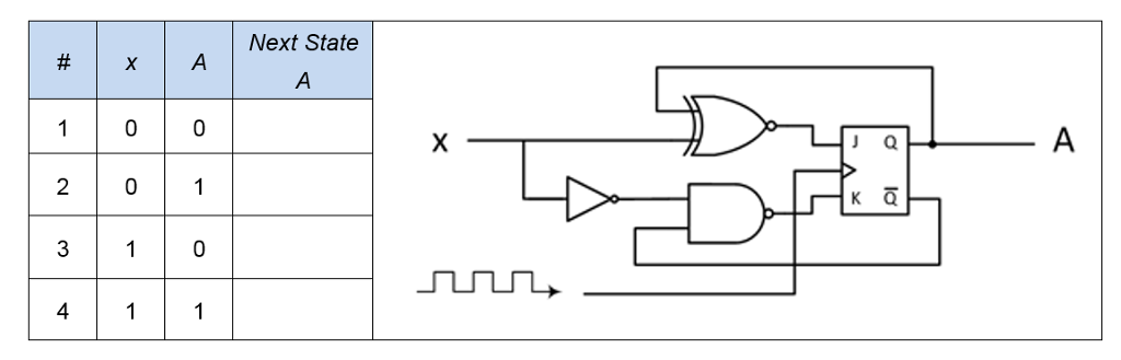
Question: Complete the characteristic table for the sequential circuit shown below. A. Next State A: 1 0 1 0 B. Next State A: 1 0 0
Complete the characteristic table for the sequential circuit shown below.
| A. | Next State A: 1 0 1 0 | |
| B. | Next State A: 1 0 0 0 | |
| C. | Next State A: 0 1 1 1 | |
| D. | Next State A: 0 1 0 1 |
Step by Step Solution
There are 3 Steps involved in it
1 Expert Approved Answer
Step: 1 Unlock
Question Has Been Solved by an Expert!
Get step-by-step solutions from verified subject matter experts
Step: 2 Unlock
Step: 3 Unlock
