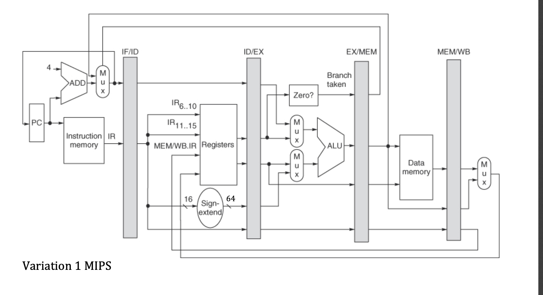
Question: Consider this code, which has a RAW hazard that can be resolved without stalling using data forwarding: DADDI R6, R6, #10 DSUB R6 R8, R2,


Consider this code, which has a RAW hazard that can be resolved without stalling using data forwarding: DADDI R6, R6, #10 DSUB R6 R8, R2, (a) What data forwarding hardware must be added to the variation 1 MIPS to provide data to the DSUB instruction without stalling? Show the required hardware by drawing it in a different color on a diagram of the variation 1 MIPS pipeline. (You do not have to include all the details of the standard pipeline, but give enough to see how the new hardware fits in.) (b) The data is being forwarded from where to where? Also, what Boolean expression can be used to decide whether to activate the path that forwards the data in a given clock cycle? IF/ID ID/EX EX/MEM MEM/WB M ADD u Branch taken Zero? IR...10 PC IR11..15 M Instruction IR memory MEM/WB.IR Registers ALU x= 3 x3 M M Data memory X 16 64 Sign- extend Variation 1 MIPS Consider this code, which has a RAW hazard that can be resolved without stalling using data forwarding: DADDI R6, R6, #10 DSUB R6 R8, R2, (a) What data forwarding hardware must be added to the variation 1 MIPS to provide data to the DSUB instruction without stalling? Show the required hardware by drawing it in a different color on a diagram of the variation 1 MIPS pipeline. (You do not have to include all the details of the standard pipeline, but give enough to see how the new hardware fits in.) (b) The data is being forwarded from where to where? Also, what Boolean expression can be used to decide whether to activate the path that forwards the data in a given clock cycle? IF/ID ID/EX EX/MEM MEM/WB M ADD u Branch taken Zero? IR...10 PC IR11..15 M Instruction IR memory MEM/WB.IR Registers ALU x= 3 x3 M M Data memory X 16 64 Sign- extend Variation 1 MIPS
Step by Step Solution
There are 3 Steps involved in it
Get step-by-step solutions from verified subject matter experts
