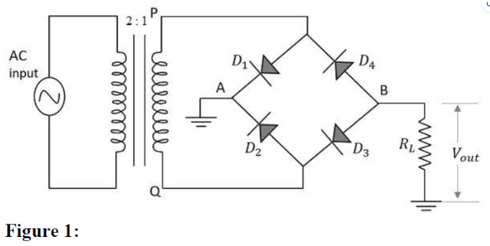
Question: Find the maximum current through load resistor RL for the circuit shown in Figure 1 . Consider the diodes to be germanium - based diodes.
Find the maximum current through load resistor RL for the circuit shown in
Figure Consider the diodes to be germaniumbased diodes.
RL k Vin rms Figure :
Step by Step Solution
There are 3 Steps involved in it
1 Expert Approved Answer
Step: 1 Unlock
Question Has Been Solved by an Expert!
Get step-by-step solutions from verified subject matter experts
Step: 2 Unlock
Step: 3 Unlock
