Question: Give me a full assembly code where the keypad row's connected from D 0 to D 3 in the port D and the keypad column
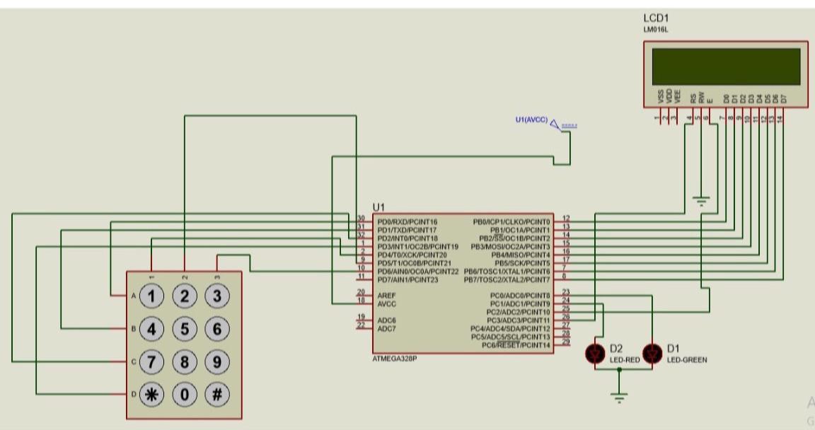
Give me a full assembly code where the keypad row's connected from D to D in the port D and the keypad column connected from D to D in the port d and the lcd pin d to d connected to from pb to pb for the port B and the enable of the l d connected to pc for port c and the RS pin for th lcd connected on pc on port C and the red led connected on pc on port c and the green led connected on pc on port c :The code initializes the LCD and keypad, stores the number in a register, displays a message asking the user to guess the number, reads the user's input, compares the input with the stored number, and displays a message indicating whether the guess was correct or not if its corres the green led will be trun on and if its incorred the red led will be turn on and displa a message on the screen indicate that is correct or not
If the guess was correct, the stored number is shifted one bit to the left.
Step by Step Solution
There are 3 Steps involved in it
1 Expert Approved Answer
Step: 1 Unlock
Question Has Been Solved by an Expert!
Get step-by-step solutions from verified subject matter experts
Step: 2 Unlock
Step: 3 Unlock
