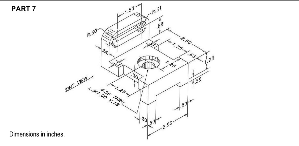
Question: How do i Sketch this on solid works in details PART 7 Dimensions in inches.
How do i Sketch this on solid works in details PART
Dimensions in inches.
Step by Step Solution
There are 3 Steps involved in it
1 Expert Approved Answer
Step: 1 Unlock
Question Has Been Solved by an Expert!
Get step-by-step solutions from verified subject matter experts
Step: 2 Unlock
Step: 3 Unlock
