Question: How would I go about solving this? Pick any two inputs as active for the first time step only ( e . g . 1
How would I go about solving this?
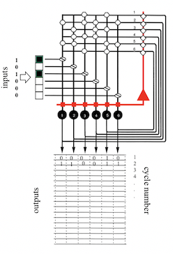
Pick any two inputs as active for the first time step only eg then let the network cycle ie turn off the input after the first one Track the output over successive cycles by writing the outputs on successive lines.
Step by Step Solution
There are 3 Steps involved in it
1 Expert Approved Answer
Step: 1 Unlock
Question Has Been Solved by an Expert!
Get step-by-step solutions from verified subject matter experts
Step: 2 Unlock
Step: 3 Unlock
