Question: Need help asap!! Task 2 Build the circuit below using multisim (use switch SPDT) Create a truth table and complete it by carrying out experiments.
Need help asap!!


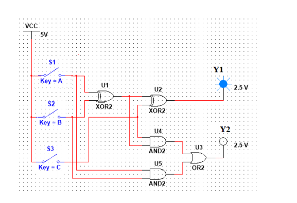
Task 2 Build the circuit below using multisim (use switch SPDT) Create a truth table and complete it by carrying out experiments. Name the circuit Paste your circuit, truth table and answer on a word document. Write your name in the word document and save it as your full name) Upload the word document on the Lab 1 upload link by 11.15 today. VCC 5V S1 Y1 Key-A 01 U2 2.5 V $2 XOR2 XOR2 KeyB U4 Y2 S3 U3 2.5 V AND2 U5 Key-C OR? AND2 Task 2 Build the circuit below using multisim (use switch SPDT) Create a truth table and complete it by carrying out experiments. Name the circuit Paste your circuit, truth table and answer on a word document. Write your name in the word document and save it as your full name) Upload the word document on the Lab 1 upload link by 11.15 today. VCC 5V S1 Y1 Key-A 01 U2 2.5 V $2 XOR2 XOR2 KeyB U4 Y2 S3 U3 2.5 V AND2 U5 Key-C OR? AND2
Step by Step Solution
There are 3 Steps involved in it
Get step-by-step solutions from verified subject matter experts
