Question: Note: this problem has multiple parts that will appear sporadically but the registers content and the instruction will not change for you, so keep your
Note: this problem has multiple parts that will appear sporadically but the registers content and the instruction will not change for you, so keep your work to be used later.
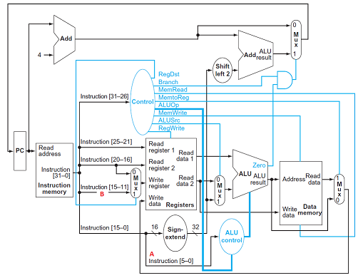
If this datapath is currently executing the instruction, LW $s1, -4($t1), register s1 contains the value: 0xA0 and register t1 contains the value 0x140
What is the value in bus B in binary?

2x Add ALU 4- Addresult Shift left 2 RegDst Branch MemRead Instruction (31-26) Control MemtoReg ALUOP MemWrite ALUSIC RegWrite Instruction (25-21) Read register 1 Read Instruction (20-16) Read data 1 register 2 Write Read instruction (15-11) register data 2 Write data Registers PC Read address Zero ALU ALU Instruction [31-0] Instruction memory Address Read data result M CES Write Data data memory Instruction (15-01 16 32 Sign- extend ALU control A Instruction (5-0) 2x Add ALU 4- Addresult Shift left 2 RegDst Branch MemRead Instruction (31-26) Control MemtoReg ALUOP MemWrite ALUSIC RegWrite Instruction (25-21) Read register 1 Read Instruction (20-16) Read data 1 register 2 Write Read instruction (15-11) register data 2 Write data Registers PC Read address Zero ALU ALU Instruction [31-0] Instruction memory Address Read data result M CES Write Data data memory Instruction (15-01 16 32 Sign- extend ALU control A Instruction (5-0)
Step by Step Solution
There are 3 Steps involved in it
Get step-by-step solutions from verified subject matter experts
