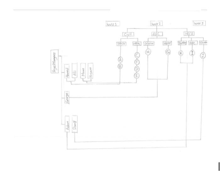
Question: OBS and WBS daimantion scedcule like the example Case study This case study is for a small 3 houses project. The main segments of a
OBS and WBS daimantion scedcule like the example

Step by Step Solution
There are 3 Steps involved in it
1 Expert Approved Answer
Step: 1 Unlock
Question Has Been Solved by an Expert!
Get step-by-step solutions from verified subject matter experts
Step: 2 Unlock
Step: 3 Unlock
