Question: please create drawing on solidworkss with drawing sheet . Show pictures please NOTES: Remove all burrs and sharp edges The material shall be RoHS compliant
please create drawing on solidworkss with drawing sheet Show pictures please
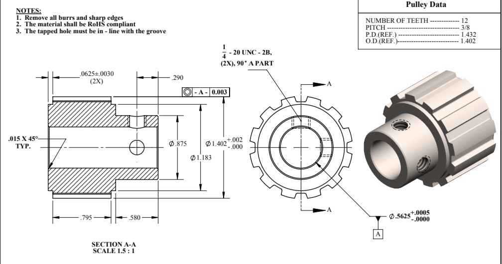
NOTES:
Remove all burrs and sharp edges
The material shall be RoHS compliant
The tapped hole must be in line with the groove
Pulley Data
NUMBER OF TEETH
UNC
X A PART
SECTION AA
SCALE :
Step by Step Solution
There are 3 Steps involved in it
1 Expert Approved Answer
Step: 1 Unlock
Question Has Been Solved by an Expert!
Get step-by-step solutions from verified subject matter experts
Step: 2 Unlock
Step: 3 Unlock
