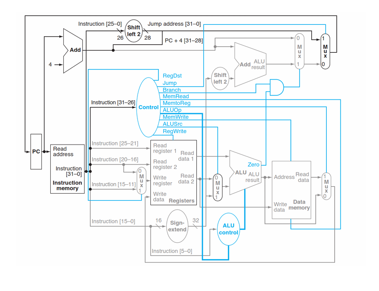
Question: Please draw the modified circuit. 1 . Modify ( add drawing to the provided figure or draw by yourselves ) the following MIPS architecture to
Please draw the modified circuit.
Modify add drawing to the provided figure or draw by yourselves
the following MIPS architecture to add JAL, JR SLL SRL instruc ons. JAL instruc on
works similarly to J instruc on but stores next instruc on to $ra $ register.
Therefore, JAL performs two opera ons at the same me: It not only stores the address
of the next instruc on PC in the return address register $ra but also jumps to the
target address similar to the Jump instruc on JR instruc ons is an Rtype instruc on
that reads the address for jump from the register $ra and jumps to that par cular
address. Also, decode your JAL, JR SRL and SLL instruc ons to fill up and add more
control signals to the truth table page# as you require.
Step by Step Solution
There are 3 Steps involved in it
1 Expert Approved Answer
Step: 1 Unlock
Question Has Been Solved by an Expert!
Get step-by-step solutions from verified subject matter experts
Step: 2 Unlock
Step: 3 Unlock
