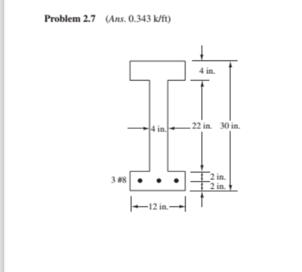
Question: Problem 2 . 7 ( Ans . 0 . 3 4 3 k / ft )
Problem Ans kft
Step by Step Solution
There are 3 Steps involved in it
1 Expert Approved Answer
Step: 1 Unlock
Question Has Been Solved by an Expert!
Get step-by-step solutions from verified subject matter experts
Step: 2 Unlock
Step: 3 Unlock
