Question: These photos are all one problem. Please explain with the valid reasoning. i. (20 pts) Solve Problem 5.16 in your textbook (10 pts for com-



These photos are all one problem. Please explain with the valid reasoning.
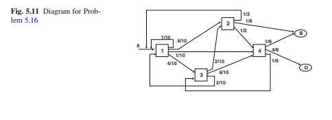
i. (20 pts) Solve Problem 5.16 in your textbook (10 pts for com- puting the requested rates and 10 pts for computing the requested probability). ii. (10 pts) For the above problem, also compute the expected number of visits by each processed part at each of the four workstations. 5.16. For the network illustrated in Fig. 5.11, find the total inflows (arrival) rates for each workstation and terminator (B and G). Terminator G represents good jobs and Terminator B represents bad product. What is the probability that a job ends up good? Fig. 5.11 Diagram for Prob- lem 5.16 2 1/3 1/6 112 1/10 4/10 1/6 4 4/6 1 1/10 4/10 2/10 1/6 6/10 2/10 i. (20 pts) Solve Problem 5.16 in your textbook (10 pts for com- puting the requested rates and 10 pts for computing the requested probability). ii. (10 pts) For the above problem, also compute the expected number of visits by each processed part at each of the four workstations. 5.16. For the network illustrated in Fig. 5.11, find the total inflows (arrival) rates for each workstation and terminator (B and G). Terminator G represents good jobs and Terminator B represents bad product. What is the probability that a job ends up good? Fig. 5.11 Diagram for Prob- lem 5.16 2 1/3 1/6 112 1/10 4/10 1/6 4 4/6 1 1/10 4/10 2/10 1/6 6/10 2/10Step by Step Solution
There are 3 Steps involved in it
Get step-by-step solutions from verified subject matter experts
