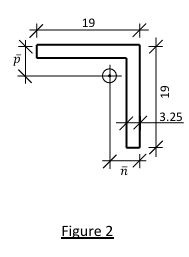
Question: Using the cross section geometry given in Figure 2 , determine: the centroid location of the section I n , I p and I n
Using the cross section geometry given in Figure determine:
the centroid location of the section
and
Using Mohr's circle, determine and principal axis I values
the centroid location of the section
and
Using Mohr's circle, determine and principal axis I valuesFigure
Step by Step Solution
There are 3 Steps involved in it
1 Expert Approved Answer
Step: 1 Unlock
Question Has Been Solved by an Expert!
Get step-by-step solutions from verified subject matter experts
Step: 2 Unlock
Step: 3 Unlock
