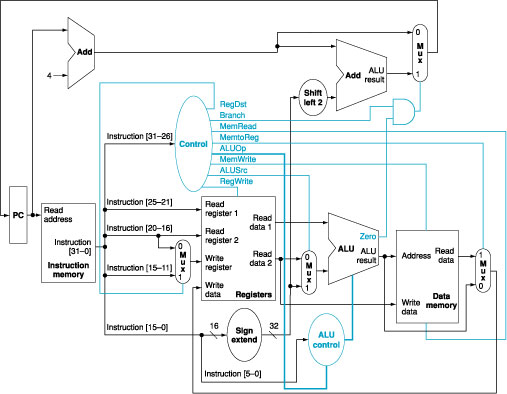
Question: We would like to add the sll (shift left logical) instruction to the single cycle datapath discussed in class. You will need to feed the
We would like to add the sll (shift left logical) instruction to the single cycle datapath discussed in class. You will need to feed the shamt field to the ALU so that it can shift using the shift amount. (You can assume that the ALU has an implementation of shift left logical if a shift amount and an integer to be shifted are inserted and its ALUOp is 11.) Trace which datapaths in the following picture are used to perform the sll instruction by marking the paths, and add datapath(s) and control signal(s) to the single-cycle datapath for the sll instruction, if it is necessary. (You should also make sure that previously existing instructions such as R-format (add,sub,and,or,slt), lw, sw, and beq still work with this additional instruction.)

Add Add resut Shift left 2 RegDst Instruction (31-28] Control Mernto ALUSrc Instruction 125-211 Read register 1 Read PC address data 1 struction 20-16 register 2 | register Wrte (31-0] ALU ALU M Wrte Instruction | |instruction [15-11]| resutAddress Head data 2 MI data Registers Writo memory data instruction [15-01 Sign32 ALU control Instruction [5-0 Add Add resut Shift left 2 RegDst Instruction (31-28] Control Mernto ALUSrc Instruction 125-211 Read register 1 Read PC address data 1 struction 20-16 register 2 | register Wrte (31-0] ALU ALU M Wrte Instruction | |instruction [15-11]| resutAddress Head data 2 MI data Registers Writo memory data instruction [15-01 Sign32 ALU control Instruction [5-0
Step by Step Solution
There are 3 Steps involved in it
Get step-by-step solutions from verified subject matter experts
