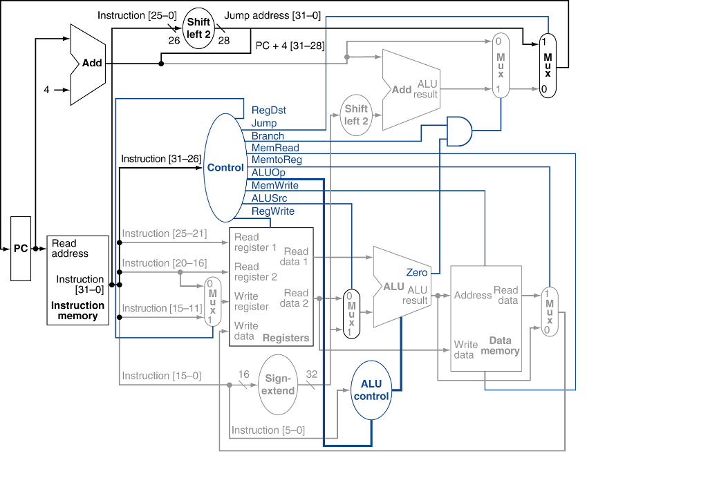
Question: Assume that the instruction is executed in a single-cycle datapath. The Following instruction was fetched: 0000 0000 0100 1000 0110 0000 0010 0000 Assume the
Assume that the instruction is executed in a single-cycle datapath. The Following instruction was fetched:
0000 0000 0100 1000 0110 0000 0010 0000 Assume the data memory is all zeros and that the processors registers have the following values at the beginning of the clock cycle in which the above instruction word is fetched
| r0 | r1 | r2 | r3 | r4 | r5 | r8 | r16 | r12 | r31 |
| 0 | 1 | 4 | 2 | -2 | 15 | 6 | 8 | 2 | -4 |
1) what are the values of the ALU control inputs for this instruction?
2) For each MUX, show the values of its data output during the execution of this instruction and these register classes.
3) For the ALU and the add two units, what are their data input values?
4) What are the values of all inputs for the "registers" unit?

Instruction 125-0] Shift Jump address [31-0] eft 2 26 28 PC 4 131-28 Add ALU 1 result Add Shift eft 2 RegDst Jump Branch Mem Read Instruction 131-26 MemtoReg Contro ALUO MemWrite ALU Src RegWrite Instruction 125-21] Read Read register 1 Read PC address Instruction 120-16] data 1 Read Zero register 2 Write Read I data 2 x Instruction ALU ALU Read Address result data [31-0] nstruction nstruction 15-11 register memory Write data Registers Write Data data memory Instruction [15-0] 16 32 Sign ALU a extend control Instruction 5-0
Step by Step Solution
There are 3 Steps involved in it
Get step-by-step solutions from verified subject matter experts
