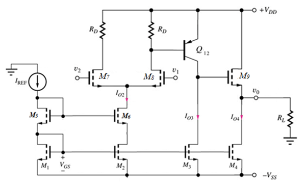
Question: For a prototype OpAmp below ( differential amplifier cascaded with Common - emmiter and Common - Drain ) , given VDD = 6 V ,
For a prototype OpAmp below differential amplifier cascaded with Commonemmiter and CommonDrain given VDDVVSSV IREFmAWLWL design requires IOmA IOmA IOmA assume all MOSFET transistors have V and given gmgm
gm gmmS gmmS For MOSFET ro VDSIDS
At quiesent condition vvvo VGSVGSV VdsV VdsV and VdsV
For PNP transistor Q assume VBE V VAV
If the current source IREF is implement by a resistor, determine the value of the resistance in Kohm.
Step by Step Solution
There are 3 Steps involved in it
1 Expert Approved Answer
Step: 1 Unlock
Question Has Been Solved by an Expert!
Get step-by-step solutions from verified subject matter experts
Step: 2 Unlock
Step: 3 Unlock
