Question: please must use Creo 6.0, and please send me google drive file link, thanks alot Homework 02: Filter Assembly The task is to create a






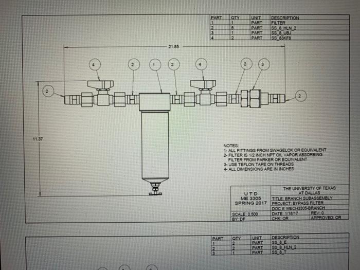
Homework 02: Filter Assembly The task is to create a filter bypass manifold. This manifold allows the user to run flow through one filter. When the filter gets dirty, the manifold allows a user to isolate the filter and run the flow in bypass mode. EXAMPLE USING SUBASSEMBLIES 1. The first thing to do is to sketch the design on a piece of paper and make sure to list all the parts that you will 2. Subassemblies can simplify CAD work in addition to fabrication work when used properly. This is one example of using subassemblies 3. The engineer created the following rough hand sketch. It includes two different subassemblies: branch subassembly and splitter subassembly. Each subassembly is repeated twice to make the complete top-level filter bypass assembly. sub-Assembly need. Once 0- FILTER Repear siliter sul- Assembly UTH Spiller sub-Assembly "Repeat sub- Assembly Bench Fig. 1, Assembly Sketch 4. The engineer created the branch sub-assembly and then the splitter subassembly in CREO. 202.pdi 1/14 100% + Selliver sub-Assembly 'Repeat sub-Assembly Branch Fig. 1, Assembly Sketch 4. The engineer created the branch sub-assembly and then the splitter subassembly in CREO. CHE HBHD pane Fig. 2, Branch Subassembly Fig. 3, Splitter Subassembly 5. The engineer detailed the two assemblies as shown in DOC#: MECH3305-BYPASS and DOC#: MECH3305- BRANCH. These are included below. 6. The engineer also assembled the two branch subassemblies and the two splitter assemblies leaving a 1" space between the assemblies as shown in Fig. 4. 27.49 mecanechaj 02 100 000 Cu_ 10.04 UBI Tom: DE PLAN VIEW NOTES 1-USE TEFLON TAPE ON THREADS 2- ALL DIMENSIONS ARE IN INCHES DIODOH HBOHOLTI 11.37 THE UNIVERSTY OF TEXAS UTD AT DALLAS ME 3305 TITLE FILTER ASSEMBLY SPRING 2017 PROJECT BYPASS FILTER DOCE MECH3305 ASSEMBLY SCALE: 0.450 DATE 1/18/17 REVIO BYARE APPROMERO FRONT VIEW PART QIY 2. UNIT ASSEMBLY ASSEMBLY DESCRIPTION BRANCH SUBASSEMBLY SPLITTER QUBASSEMBLY DOC MECH3306-BRANCH MECH3305-SPLITTER THE UNIVERSTY OF TEXAS UTD ATI DALLAS ME 3306 TITLE: FILTER ASSEMBLY SPRING 2017 PROJECT BYPASS FILTER DOCE MECH3305 ASSEMBLY SCALE: 0.250 DATE: 11:17 REVO BYADE CHKOR APRENEDOR FRONT VIEW PART 11 QTY 2 12 UNIT DESCRIPTION ASSEMBLY BRANCH_SUBASSEMBLY ASSEMBLY SPLITTER SUBASSEMBLY DOC MECH3306-BRANCH MECH1305-SPLITTER 200 Betten (CICO PureC(KO . mis THE UNIVERSTY OF TEXAS UTD AT DALLAS ME 3305 TITLE FILTER ASSEMBLY EXPLODED SPRING 2017 PROJECT BYPASS FILTER DOC #MECH3305 ASSY.EXPLODED SCALE: 0.890 DATE: 1117 REVAC APPROVED OR QTY PART 1 2 3 14 5 1 12 UNET PART PART PART PART DESCRIPTION FILTER SS_Q_HLN SS_B_UBU SJKER 21.85 2 THEM TH 11.37 NOTES: 1- ALL FITTINGS FROM SWAGELOK OR EQUIVALENT 2. FILTER IS 1/2 INCH NPT OIL VAPOR ABSORBING FILTER FROM PARKER OR EQUIVALENT 3- USE TEFLON TAPE ON THREADS 4- ALL DIMENSIONS ARE IN INCHES THE UNIVERSTY OF TEXAS UTD AT DALLAS ME 3305 TITLE BRANCH SUBASSEMBLY SPRING 2017 PROJECT BYPASS FILTER DOCE MECH3305-RANCH SCALE: 0.500 RATE:10.17 REYA BY.DE CHINOR PROVED OR PART 1 R OTY 2 2 1 UNIT PART PART PART DESCRIPTION SELLE SSLOHNL SALT JA THE UNIVERSTY OF TEXAS UTD ATI DALLAS ME 3305 TITLE: BRANCH SUBASSEMELY SPRING 2017 PROJECT, BYPASS FILTER DOCE MECHG30S-BRANCH SCALE 0.500 DATE 1/18/17 REY PYARE CHKOR APPROVEDOR PART 1 2 La DTY 2 2 1 UNIT PART PART PART DESCRIPTION SSRELE 95 HNL 2 SS.LT NOTES 1- ALL FITTINGS FROM SWAGELOK OR EQUIVALENT 2- USE TEFLON TAPE ON THREADS 3- ALL DIMENSIONS ARE IN INCHES 3.12 gierung 10 24 PLAN VIEW 11[101]H[. FRONT VIEW THE UNIVERSTY OF TEXAS UTD AT DALLAS ME 3305 TITLE SPLITTER SUBASSEMBLY SPRING 2017 PROJECT BYPASS FILTER DOCE MECHI3059PLITTER SCALE: 0.500 DATE 1/12/2017 REVO FYRE CHOR APPROVEDOR . O o o 0 Deliverable Only one PDF file will be accepted when uploaded to elearning O DO NOT PRINT SCREEN OR SNIP. Open the drawing in CREO and Save as PDF. o if you have multiple PDF files, find a tool (e.g., online) to combine your files into one. Do not print screen or snip. Multiple PDF files, Images, zips, etc. that are uploaded individually will not be reviewed. Text added in the elearning side window will also not be reviewed. Complete your own filter bypass assembly Create descriptive drawings of your assembled unit Include your balloons to identify every single part in your package (similarly to the example above) Show the bills of materials Include overall dimensions of your complete assembly as reference dimensions. Upload your PDF (quantity of drawings is up to you but must be merged into one PDF file). Rubric (5 Points): Rubric can be updated by the instructor if needed o Points will be deducted as follows for the assignment -5.0 Assignment is not uploaded as a single PDF file Screen printing is used instead of save as PDF -1.0 Design is not clearly defined in the drawings eg.cannot tell what parts to buy e.g., Part number balloons are not properly used -0.5 Balloons intersect one another or lines are placed outside the border (messy) -0.5 Text is "on-top-of other text (messy) -0.5 Sketch planes or reference planes are shown in the drawings (messy) -0.5 Filter cannot be properly bypassed using the isolation valves -0.5 UBJ not properly used to allow proper assembly Proper overall dimensions (length, width, height) of the assembly are not provided -0.25 incomplete dimensions (should show overall length, width, and depth of each assembly) -0.25 Inconsistent drawing names in the title block versus BOM -0.25 Incomplete or wrong title block (should have initials, not names and should have a Rev 0) -0.1 Colored submittal (should only use black and white) -3.0 Homework 02: Filter Assembly The task is to create a filter bypass manifold. This manifold allows the user to run flow through one filter. When the filter gets dirty, the manifold allows a user to isolate the filter and run the flow in bypass mode. EXAMPLE USING SUBASSEMBLIES 1. The first thing to do is to sketch the design on a piece of paper and make sure to list all the parts that you will 2. Subassemblies can simplify CAD work in addition to fabrication work when used properly. This is one example of using subassemblies 3. The engineer created the following rough hand sketch. It includes two different subassemblies: branch subassembly and splitter subassembly. Each subassembly is repeated twice to make the complete top-level filter bypass assembly. sub-Assembly need. Once 0- FILTER Repear siliter sul- Assembly UTH Spiller sub-Assembly "Repeat sub- Assembly Bench Fig. 1, Assembly Sketch 4. The engineer created the branch sub-assembly and then the splitter subassembly in CREO. 202.pdi 1/14 100% + Selliver sub-Assembly 'Repeat sub-Assembly Branch Fig. 1, Assembly Sketch 4. The engineer created the branch sub-assembly and then the splitter subassembly in CREO. CHE HBHD pane Fig. 2, Branch Subassembly Fig. 3, Splitter Subassembly 5. The engineer detailed the two assemblies as shown in DOC#: MECH3305-BYPASS and DOC#: MECH3305- BRANCH. These are included below. 6. The engineer also assembled the two branch subassemblies and the two splitter assemblies leaving a 1" space between the assemblies as shown in Fig. 4. 27.49 mecanechaj 02 100 000 Cu_ 10.04 UBI Tom: DE PLAN VIEW NOTES 1-USE TEFLON TAPE ON THREADS 2- ALL DIMENSIONS ARE IN INCHES DIODOH HBOHOLTI 11.37 THE UNIVERSTY OF TEXAS UTD AT DALLAS ME 3305 TITLE FILTER ASSEMBLY SPRING 2017 PROJECT BYPASS FILTER DOCE MECH3305 ASSEMBLY SCALE: 0.450 DATE 1/18/17 REVIO BYARE APPROMERO FRONT VIEW PART QIY 2. UNIT ASSEMBLY ASSEMBLY DESCRIPTION BRANCH SUBASSEMBLY SPLITTER QUBASSEMBLY DOC MECH3306-BRANCH MECH3305-SPLITTER THE UNIVERSTY OF TEXAS UTD ATI DALLAS ME 3306 TITLE: FILTER ASSEMBLY SPRING 2017 PROJECT BYPASS FILTER DOCE MECH3305 ASSEMBLY SCALE: 0.250 DATE: 11:17 REVO BYADE CHKOR APRENEDOR FRONT VIEW PART 11 QTY 2 12 UNIT DESCRIPTION ASSEMBLY BRANCH_SUBASSEMBLY ASSEMBLY SPLITTER SUBASSEMBLY DOC MECH3306-BRANCH MECH1305-SPLITTER 200 Betten (CICO PureC(KO . mis THE UNIVERSTY OF TEXAS UTD AT DALLAS ME 3305 TITLE FILTER ASSEMBLY EXPLODED SPRING 2017 PROJECT BYPASS FILTER DOC #MECH3305 ASSY.EXPLODED SCALE: 0.890 DATE: 1117 REVAC APPROVED OR QTY PART 1 2 3 14 5 1 12 UNET PART PART PART PART DESCRIPTION FILTER SS_Q_HLN SS_B_UBU SJKER 21.85 2 THEM TH 11.37 NOTES: 1- ALL FITTINGS FROM SWAGELOK OR EQUIVALENT 2. FILTER IS 1/2 INCH NPT OIL VAPOR ABSORBING FILTER FROM PARKER OR EQUIVALENT 3- USE TEFLON TAPE ON THREADS 4- ALL DIMENSIONS ARE IN INCHES THE UNIVERSTY OF TEXAS UTD AT DALLAS ME 3305 TITLE BRANCH SUBASSEMBLY SPRING 2017 PROJECT BYPASS FILTER DOCE MECH3305-RANCH SCALE: 0.500 RATE:10.17 REYA BY.DE CHINOR PROVED OR PART 1 R OTY 2 2 1 UNIT PART PART PART DESCRIPTION SELLE SSLOHNL SALT JA THE UNIVERSTY OF TEXAS UTD ATI DALLAS ME 3305 TITLE: BRANCH SUBASSEMELY SPRING 2017 PROJECT, BYPASS FILTER DOCE MECHG30S-BRANCH SCALE 0.500 DATE 1/18/17 REY PYARE CHKOR APPROVEDOR PART 1 2 La DTY 2 2 1 UNIT PART PART PART DESCRIPTION SSRELE 95 HNL 2 SS.LT NOTES 1- ALL FITTINGS FROM SWAGELOK OR EQUIVALENT 2- USE TEFLON TAPE ON THREADS 3- ALL DIMENSIONS ARE IN INCHES 3.12 gierung 10 24 PLAN VIEW 11[101]H[. FRONT VIEW THE UNIVERSTY OF TEXAS UTD AT DALLAS ME 3305 TITLE SPLITTER SUBASSEMBLY SPRING 2017 PROJECT BYPASS FILTER DOCE MECHI3059PLITTER SCALE: 0.500 DATE 1/12/2017 REVO FYRE CHOR APPROVEDOR . O o o 0 Deliverable Only one PDF file will be accepted when uploaded to elearning O DO NOT PRINT SCREEN OR SNIP. Open the drawing in CREO and Save as PDF. o if you have multiple PDF files, find a tool (e.g., online) to combine your files into one. Do not print screen or snip. Multiple PDF files, Images, zips, etc. that are uploaded individually will not be reviewed. Text added in the elearning side window will also not be reviewed. Complete your own filter bypass assembly Create descriptive drawings of your assembled unit Include your balloons to identify every single part in your package (similarly to the example above) Show the bills of materials Include overall dimensions of your complete assembly as reference dimensions. Upload your PDF (quantity of drawings is up to you but must be merged into one PDF file). Rubric (5 Points): Rubric can be updated by the instructor if needed o Points will be deducted as follows for the assignment -5.0 Assignment is not uploaded as a single PDF file Screen printing is used instead of save as PDF -1.0 Design is not clearly defined in the drawings eg.cannot tell what parts to buy e.g., Part number balloons are not properly used -0.5 Balloons intersect one another or lines are placed outside the border (messy) -0.5 Text is "on-top-of other text (messy) -0.5 Sketch planes or reference planes are shown in the drawings (messy) -0.5 Filter cannot be properly bypassed using the isolation valves -0.5 UBJ not properly used to allow proper assembly Proper overall dimensions (length, width, height) of the assembly are not provided -0.25 incomplete dimensions (should show overall length, width, and depth of each assembly) -0.25 Inconsistent drawing names in the title block versus BOM -0.25 Incomplete or wrong title block (should have initials, not names and should have a Rev 0) -0.1 Colored submittal (should only use black and white) -3.0
Step by Step Solution
There are 3 Steps involved in it
Get step-by-step solutions from verified subject matter experts
