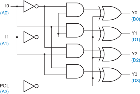
Question: -Write a structural-style Verilog module Vr2to4decp_s corresponding to the 2-to-4 binary decoder with polarity control shown in Figure 6-3. Use individual signal names as in

-Write a structural-style Verilog module Vr2to4decp_s corresponding to the 2-to-4 binary decoder with polarity control shown in Figure 6-3. Use individual signal names as in the logic diagram, not vectors. Please use handwriting.

-Write a structural-style Verilog module Vr2to4decp_s corresponding to the 2-to-4 binary decoder

IO (A0) Yo (Do) Y1 (D1) (A1) Y2 (D2) Y3 (D3) POL (A2)

Step by Step Solution

There are 3 Steps involved in it

1 Expert Approved Answer
Step: 1 Unlock blur-text-image
Question Has Been Solved by an Expert!

Get step-by-step solutions from verified subject matter experts

Step: 2 Unlock
Step: 3 Unlock

Students Have Also Explored These Related Databases Questions!